MAX4899E

製造中

USB 2.0ハイスピード、フォルト耐性3:1、4:1マルチプレクサ

少ないピン数でありながら多用途に使用可能な、ポータブルアプリケーション向け高速アナログスイッチ

利用上の注意

本データシートの英語以外の言語への翻訳はユーザの便宜のために提供されるものであり、リビジョンが古い場合があります。最新の内容については、必ず最新の英語版をご参照ください。

なお、日本語版のデータシートは基本的に「Rev.0」(リビジョン0)で作成されています。そのため、英語版が後に改訂され、複数製品のデータシートがひとつに統一された場合、同じ「Rev.0」の日本語版のデータシートが異なる製品のデータシートとして表示されることがあります。たとえば、「ADM3307E」の場合、日本語データシートをクリックすると「ADM3311E」が表示されます。これは、英語版のデータシートが複数の製品で共有できるように1本化され、「ADM3307E/ADM3310E/ADM3311E/ADM3312E/ADM3315E」(Rev.J)と改訂されたからで、決して誤ってリンクが張られているわけではありません。和文化されたデータシートを少しでも有効に活用していただくためにこのような方法をとっておりますので、ご了解ください。

アナログ・デバイセズ社は、提供する情報が正確で信頼できるものであることを期していますが、その情報の利用に関して、あるいはその利用によって生じる第三者の特許やその他の権利の侵害に関して一切の責任を負いません。また、アナログ・デバイセズ社の特許または特許の権利の使用を明示的または暗示的に許諾するものでもありません。仕様は予告なしに変更する場合があります。本紙記載の商標および登録商標は、各社の所有に属します。

Viewing:

製品情報

  • 単一電源電圧:2.7V~3.6V
  • 低オン抵抗(RON):4Ω (typ)
  • -3dB帯域幅:425MHz
  • USB 2.0規格に完全準拠するフォルト耐性
  • ヒューマンボディモデルに従って、±15kV ESD保護までCOM_を保護(MIL規格883、3015法)
  • スタンバイモードにおいて、低動作電流(200µA)、超低自己消費電流(3.0µA max)
  • 低スレッショルドによって、1.8Vの低電圧システムにおいてレベル変換器が不要
  • 3mm x 3mmの小型16ピンTQFNパッケージ

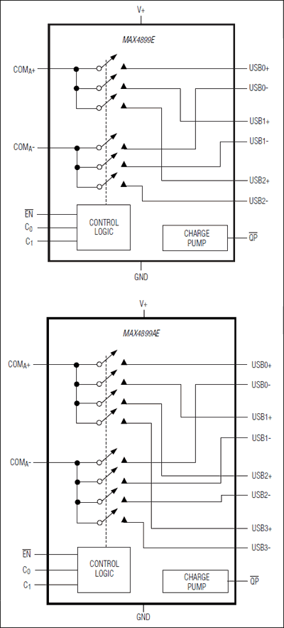
アナログマルチプレクサのMAX4899E/MAX4899AEは、高性能スイッチングアプリケーションに不可欠な低オン容量(CON)と低オン抵抗(RON)を統合しています。これらのデバイスは、480MbpsのUSB 2.0の高速アプリケーション用に設計されています。また、MAX4899E/MAX4899AEは、USBのローおよびフルスピード信号のすべての要件にも対応しています。

MAX4899Eはデュアル3:1マルチプレクサであり、またはMAX4899AEはデュアル4:1マルチプレクサです。MAX4899E/MAX4899AEは、アナログ信号経路を制御する2つのディジタル入力C0およびC1を備えています。標準アプリケーションには、USB動作と、シリアル通信、オーディオ、およびビデオなどのその他の動作間のUSBコネクタの切替えなどがあります。

消費電力を低減するだけでなく、全チャネルをディセーブルし、デバイスをハイインピーダンス(オフ)状態に移行させるイネーブル入力(アクティブローEN)が用意されています。

MAX4899E/MAX4899AEは2.7V~3.6V電源電圧で動作し、COMA-およびCOMA+への+5.5V短絡から保護されています。また、COMA+およびCOMA-は通常、外部回路に接続され、±15kV ESD保護を備えています。MAX4899E/MAX4899AEは3mm x 3mmの16ピンTQFNパッケージで提供され、-40℃~+85℃の温度範囲で動作します。

アプリケーション

  • 携帯電話
  • コンビネーション製品
  • デジタルスチルカメラ
  • デジタルビデオカメラ
  • KVM
  • MPEG-4プレーヤー
  • PDA
  • 携帯GPSナビゲーションシステム

MAX4899E
USB 2.0ハイスピード、フォルト耐性3:1、4:1マルチプレクサ
MAX4899AE、MAX4899E:ファンクションダイアグラム
myAnalogに追加

myAnalogの製品セクション(通知受け取り)、既存/新規プロジェクトに製品を追加する。

新規プロジェクトを作成
質問する
サポート

アナログ・デバイセズのサポート・ページはアナログ・デバイセズへのあらゆるご質問にお答えするワンストップ・ポータルです。


ドキュメント

さらに詳しく
myAnalogに追加

myAnalogのリソース・セクション、既存/新規プロジェクトにメディアを追加する。

新規プロジェクトを作成

ソフトウェア・リソース

必要なソフトウェア/ドライバが見つかりませんか?

ドライバ/ソフトウェアをリクエスト

評価用キット

MAX4899AEEVKIT

MAX4899AEおよびMAX4899Eの評価キット

機能と利点

  • USB駆動(ケーブル付属)
  • 完全なUSB 2.0 (480Mbps)の切替え回路
  • SMA入力/出力付きアイダイアグラム試験回路
  • 鉛フリーおよびRoHS準拠
  • 実証済みPCBレイアウト
  • 完全実装および試験済み

製品詳細

MAX4899AEの評価キット(EVキット)は、USB 2.0ハイスピード、フォルトトレラント4:1マルチプレクサのMAX4899AEを評価するための実証済みデザインを提供します。このEVキットは、1つのUSB信号を4つのタイプAのUSBポートの1つに経路設定します。

MAX4899AEのEVキットのプリント基板(PCB)には、MAX4899AEETE+が実装されて出荷されます。ピンコンパチブルのMAX4899EETE+の無料サンプルについてはお問い合わせください。

アプリケーション

  • 携帯電話
  • コンビネーション製品
  • デジタルスチルカメラ
  • デジタルビデオカメラ
  • KVM
  • MPEG-4プレーヤー
  • PDA
  • 携帯GPSナビゲーションシステム

MAX4899AEEVKIT
MAX4899AEおよびMAX4899Eの評価キット

最新のディスカッション

最近表示した製品