MAX469

製造中止

2チャネル、トリプル/クワッドRGBビデオスイッチおよびバッファ

利用上の注意

本データシートの英語以外の言語への翻訳はユーザの便宜のために提供されるものであり、リビジョンが古い場合があります。最新の内容については、必ず最新の英語版をご参照ください。

なお、日本語版のデータシートは基本的に「Rev.0」(リビジョン0)で作成されています。そのため、英語版が後に改訂され、複数製品のデータシートがひとつに統一された場合、同じ「Rev.0」の日本語版のデータシートが異なる製品のデータシートとして表示されることがあります。たとえば、「ADM3307E」の場合、日本語データシートをクリックすると「ADM3311E」が表示されます。これは、英語版のデータシートが複数の製品で共有できるように1本化され、「ADM3307E/ADM3310E/ADM3311E/ADM3312E/ADM3315E」(Rev.J)と改訂されたからで、決して誤ってリンクが張られているわけではありません。和文化されたデータシートを少しでも有効に活用していただくためにこのような方法をとっておりますので、ご了解ください。

アナログ・デバイセズ社は、提供する情報が正確で信頼できるものであることを期していますが、その情報の利用に関して、あるいはその利用によって生じる第三者の特許やその他の権利の侵害に関して一切の責任を負いません。また、アナログ・デバイセズ社の特許または特許の権利の使用を明示的または暗示的に許諾するものでもありません。仕様は予告なしに変更する場合があります。本紙記載の商標および登録商標は、各社の所有に属します。

Viewing:

製品情報

  • ユニティゲイン帯域幅:100MHz
  • 帯域幅:90MHz (2V/Vゲイン)
  • 差動ゲイン/位相エラー:0.01%/0.03°
  • 50Ωおよび75Ωバック終端ケーブルを直接駆動
  • 広い出力振幅:
    • 75Ωに±2V
    • 150Ωに±2.5V
  • スルーレート:300V/µs (2V/Vゲイン)
  • チャネルスイッチング時間:20ns
  • ロジックディセーブルモード:
    • ハイインピーダンス出力
    • 消費電力の低減
  • 大型ネットワーク用に出力をパラレルに可
  • 入力容量:5pF (チャネルオンまたはオフ)

2チャネル、トリプル/クワッドバッファ付きビデオスイッチおよびビデオバッファのMAX463~MAX470シリーズは高精度、ユニティゲイン安定化アンプと高性能ビデオスイッチを組み合わせています。高速スイッチング時間および低い差動ゲインおよび位相エラーによって、このシリーズのスイッチおよびバッファはすべてのビデオアプリケーションに最適となっています。これらの製品はすべて、150Ω負荷(75Ωバック終端ケーブル)を駆動の際、±2.5Vの高い入出力で±5Vの電源動作という仕様になっています。

入力容量はわずか5pF (typ)で、チャネル間クロストークは60dBより優れており、ACグランド端子で全入力を囲むことで実現されます。オンボードアンプのスルーレートは200V/µs (AV = 2V/Vアンプで300V/µs)で、帯域幅は100MHz (AV = 2V/Vバッファで90MHz)です。チャネル選択の制御はシングルTTLコンパチブル入力端子またはマイクロプロセッサインタフェースで行われ、チャネルスイッチ時間はわずか20nsです。

75Ωバック終端アプリケーション向けに、設計の柔軟性をはかるため1V/Vまたは2V/Vのバッファアンプゲインが提供されます。出力アンプは75Ωに±2Vの出力振幅を備えています。

アプリケーション

  • ブロードバンド品質、カラー信号多重化
  • 同軸ケーブルラインドライバ
  • RGBカラービデオオーバレイエディタ
  • RGBカラービデオセキュリティシステム
  • RGB医療用画像化
  • RGB多重化

MAX469
2チャネル、トリプル/クワッドRGBビデオスイッチおよびバッファ
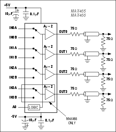
MAX463、MAX464、MAX465、MAX466、MAX467、MAX468、MAX469、MAX470:標準動作回路
myAnalogに追加

myAnalogの製品セクション(通知受け取り)、既存/新規プロジェクトに製品を追加する。

新規プロジェクトを作成
質問する
サポート

アナログ・デバイセズのサポート・ページはアナログ・デバイセズへのあらゆるご質問にお答えするワンストップ・ポータルです。


ドキュメント

さらに詳しく
myAnalogに追加

myAnalogのリソース・セクション、既存/新規プロジェクトにメディアを追加する。

新規プロジェクトを作成

ソフトウェア・リソース

必要なソフトウェア/ドライバが見つかりませんか?

ドライバ/ソフトウェアをリクエスト

最新のディスカッション

MAX469に関するディスカッションはまだありません。意見を投稿しますか?

EngineerZone®でディスカッションを始める

最近表示した製品