MAX4670

製造中止

高集積T1/E1/J1短距離および長距離保護スイッチ

利用上の注意

本データシートの英語以外の言語への翻訳はユーザの便宜のために提供されるものであり、リビジョンが古い場合があります。最新の内容については、必ず最新の英語版をご参照ください。

なお、日本語版のデータシートは基本的に「Rev.0」(リビジョン0)で作成されています。そのため、英語版が後に改訂され、複数製品のデータシートがひとつに統一された場合、同じ「Rev.0」の日本語版のデータシートが異なる製品のデータシートとして表示されることがあります。たとえば、「ADM3307E」の場合、日本語データシートをクリックすると「ADM3311E」が表示されます。これは、英語版のデータシートが複数の製品で共有できるように1本化され、「ADM3307E/ADM3310E/ADM3311E/ADM3312E/ADM3315E」(Rev.J)と改訂されたからで、決して誤ってリンクが張られているわけではありません。和文化されたデータシートを少しでも有効に活用していただくためにこのような方法をとっておりますので、ご了解ください。

アナログ・デバイセズ社は、提供する情報が正確で信頼できるものであることを期していますが、その情報の利用に関して、あるいはその利用によって生じる第三者の特許やその他の権利の侵害に関して一切の責任を負いません。また、アナログ・デバイセズ社の特許または特許の権利の使用を明示的または暗示的に許諾するものでもありません。仕様は予告なしに変更する場合があります。本紙記載の商標および登録商標は、各社の所有に属します。

Viewing:

製品情報

  • 単一電源電圧:+3.3V
  • クワッドDPDT/オクタルSPDTスイッチが2個のT1/E1/J1ポートをサポート
  • 低RON
  • 送信パス:0.7Ω (typ)、受信パス:5Ω (typ)
  • 低CON/COFF
    • 送信パス:60pF/40pF (typ)
    • 受信パス:24pF/12pF (typ)
  • チップのサージからの保護
    • IEC 61000-4-5 (8µs~20µsのサージ)
    • クラス2 (±1kV)
  • クロストーク/オフアイソレーション:-70dB (typ) (3MHzの場合)
  • 小型32ピンTDFNパッケージ

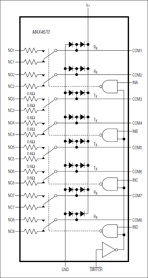
MAX4670は、1+1およびN+1ラインカード冗長アプリケーション用の高集積T1/E1/J1アナログ保護スイッチです。このスイッチは、単一パッケージに8個のSPDTスイッチを内蔵して、2個のT1/E1/J1ポートを保護します。このスイッチは、T1/E1/J1の長距離および短距離アプリケーションにおけるハイリターンロスとパルステンプレート性能に最適化されています。この製品は、短距離建物内アプリケーション用のチップ側サージ保護機能を備えています。

MAX4670は、2個のダイオードアレイや2個のトランジェント電圧抑制回路(TVS)および4個のデュアルSPDTリレーに取って代わり、基板面積を大幅に縮小し、PCBの配線を容易にします。MAX4670のピン配置はT1/E1/J1アプリケーションを対象にしているため、標準的なライントランスやラインインタフェースユニット(LIU)とのインタフェース時にレイアウトが容易になります。

MAX4670は、LIUトランスミッタ出力とのインタフェース用の、60pF/40pFのオン/オフキャパシタンスを備える1.0Ω (max)のオン抵抗スイッチを4個内蔵しています。また、MAX4670は、LIUレシーバ入力とのインタフェース用の、24pF/12pFの低オン/オフキャパシタンスを備える10Ω (max)のオン抵抗を備えたスイッチも4個内蔵しています。全スイッチをシステムの保護バスに接続するアクティブローSWITCH入力とともに、4個のロジック入力で受信/送信ペアを制御します。

MAX4670は+2.7V~+3.6Vの単一電源で動作し、放熱特性を高めた32ピンTQFNパッケージで提供されます。MAX4670は、-40℃~+85℃の動作温度範囲での動作が保証されています。

MAX4670
高集積T1/E1/J1短距離および長距離保護スイッチ
MAX4670:ファンクションダイアグラム
myAnalogに追加

myAnalogの製品セクション(通知受け取り)、既存/新規プロジェクトに製品を追加する。

新規プロジェクトを作成
質問する
サポート

アナログ・デバイセズのサポート・ページはアナログ・デバイセズへのあらゆるご質問にお答えするワンストップ・ポータルです。


ドキュメント

さらに詳しく
myAnalogに追加

myAnalogのリソース・セクション、既存/新規プロジェクトにメディアを追加する。

新規プロジェクトを作成

ソフトウェア・リソース

必要なソフトウェア/ドライバが見つかりませんか?

ドライバ/ソフトウェアをリクエスト

ツールおよびシミュレーション

最新のディスカッション

MAX4670に関するディスカッションはまだありません。意見を投稿しますか?

EngineerZone®でディスカッションを始める

最近表示した製品