MAX4598

製造中

低電圧、シングルエンド8チャネル/差動4チャネルコンビネーションマルチプレクサ

利用上の注意

本データシートの英語以外の言語への翻訳はユーザの便宜のために提供されるものであり、リビジョンが古い場合があります。最新の内容については、必ず最新の英語版をご参照ください。

なお、日本語版のデータシートは基本的に「Rev.0」(リビジョン0)で作成されています。そのため、英語版が後に改訂され、複数製品のデータシートがひとつに統一された場合、同じ「Rev.0」の日本語版のデータシートが異なる製品のデータシートとして表示されることがあります。たとえば、「ADM3307E」の場合、日本語データシートをクリックすると「ADM3311E」が表示されます。これは、英語版のデータシートが複数の製品で共有できるように1本化され、「ADM3307E/ADM3310E/ADM3311E/ADM3312E/ADM3315E」(Rev.J)と改訂されたからで、決して誤ってリンクが張られているわけではありません。和文化されたデータシートを少しでも有効に活用していただくためにこのような方法をとっておりますので、ご了解ください。

アナログ・デバイセズ社は、提供する情報が正確で信頼できるものであることを期していますが、その情報の利用に関して、あるいはその利用によって生じる第三者の特許やその他の権利の侵害に関して一切の責任を負いません。また、アナログ・デバイセズ社の特許または特許の権利の使用を明示的または暗示的に許諾するものでもありません。仕様は予告なしに変更する場合があります。本紙記載の商標および登録商標は、各社の所有に属します。

Viewing:

製品情報

  • V+およびGNDを出力チャネルにスイッチング可能
  • オン抵抗:75Ω (max)
  • シングルエンドまたは差動動作
  • チャージインジェクション:2pC (typ)
  • ラッチ付またはラッチなしの動作
  • ±5V電源動作時にTTLコンパチブル入力
  • レイルトゥレイルアナログ信号に対応

MAX4598低電圧CMOSアナログICは設定可能なシングルエンド8チャネル/差動4チャネルマルチプレクサです。入力チャネルに加えて、V+とGNDの両方を出力チャネルにスイッチングすることができるため、電源電圧の監視が可能です。MAX4598は+2.7V~+12V単一電源または±6Vデュアル電源で動作します。本製品は±5Vまたは+5V単一電源動作時に、低オン抵抗(75Ω max)およびTTLロジック入力コンパチブルです。各スイッチはレイルトゥレイルアナログ信号に対応しています。MAX4598は標準マルチプレクサおよびアドレスラインをストローブする「ラッチ可能な」マルチプレクサという2つの動作モードを備えています。オフリーク電流はTA = +25℃で僅か0.1nA、TA = +85℃で2nAです。ESD保護は3015.7法で2kV以上です

MAX4598は小型20ピンSSOP、SOおよびDIPパッケージで提供されています。

アプリケーション

  • ADCシステム
  • オーディオ信号ルーティング
  • アビオニクス
  • バッテリ駆動アプリケーション
  • ネットワーキング
  • 試験装置

MAX4598
低電圧、シングルエンド8チャネル/差動4チャネルコンビネーションマルチプレクサ
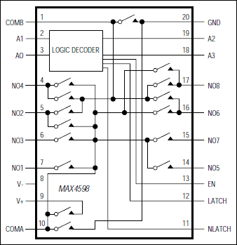
MAX4598:ピン配置
myAnalogに追加

myAnalogの製品セクション(通知受け取り)、既存/新規プロジェクトに製品を追加する。

新規プロジェクトを作成
質問する
サポート

アナログ・デバイセズのサポート・ページはアナログ・デバイセズへのあらゆるご質問にお答えするワンストップ・ポータルです。


ドキュメント

さらに詳しく
myAnalogに追加

myAnalogのリソース・セクション、既存/新規プロジェクトにメディアを追加する。

新規プロジェクトを作成

ソフトウェア・リソース

必要なソフトウェア/ドライバが見つかりませんか?

ドライバ/ソフトウェアをリクエスト

最新のディスカッション

MAX4598に関するディスカッションはまだありません。意見を投稿しますか?

EngineerZone®でディスカッションを始める

最近表示した製品