LT1204

製造中

75MHz電流帰還アンプを内蔵した4入力ビデオ・マルチプレクサ

利用上の注意

本データシートの英語以外の言語への翻訳はユーザの便宜のために提供されるものであり、リビジョンが古い場合があります。最新の内容については、必ず最新の英語版をご参照ください。

なお、日本語版のデータシートは基本的に「Rev.0」(リビジョン0)で作成されています。そのため、英語版が後に改訂され、複数製品のデータシートがひとつに統一された場合、同じ「Rev.0」の日本語版のデータシートが異なる製品のデータシートとして表示されることがあります。たとえば、「ADM3307E」の場合、日本語データシートをクリックすると「ADM3311E」が表示されます。これは、英語版のデータシートが複数の製品で共有できるように1本化され、「ADM3307E/ADM3310E/ADM3311E/ADM3312E/ADM3315E」(Rev.J)と改訂されたからで、決して誤ってリンクが張られているわけではありません。和文化されたデータシートを少しでも有効に活用していただくためにこのような方法をとっておりますので、ご了解ください。

アナログ・デバイセズ社は、提供する情報が正確で信頼できるものであることを期していますが、その情報の利用に関して、あるいはその利用によって生じる第三者の特許やその他の権利の侵害に関して一切の責任を負いません。また、アナログ・デバイセズ社の特許または特許の権利の使用を明示的または暗示的に許諾するものでもありません。仕様は予告なしに変更する場合があります。本紙記載の商標および登録商標は、各社の所有に属します。

Viewing:

製品情報

  • 0.1dB利得平坦性:>30MHz
  • チャネル・セパレーション(10MHz):90dB
  • 入力基準のスイッチング・トランジェント:40mV
  • -3dBバンド幅(AV=2、RL=150Ω):75MHz
  • チャネル間スイッチング時間:120ns
  • 入力の拡張が容易
  • 大きな入力範囲:±6V
  • 微分利得エラー(RL=150Ω):0.04%
  • 微分位相エラー(RL=150Ω):0.06°
  • 高スルーレート:1000V/μs
  • 出力振幅(RL=400Ω):±13V
  • 広い電源範囲:±5V~±15V

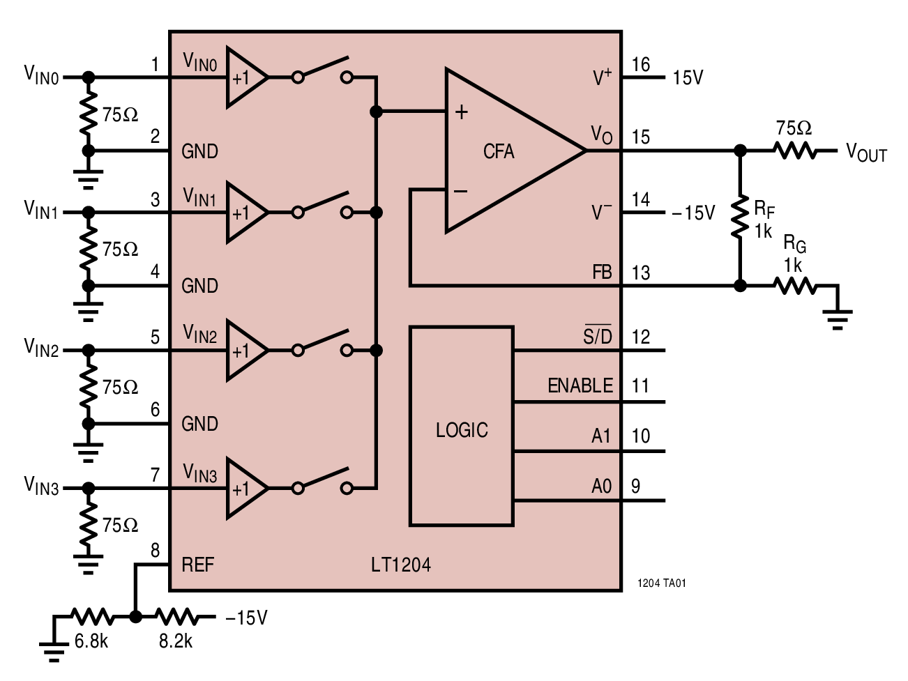
LT1204は75Ωケーブルをドライブし、より大きなルーチング・システムに容易に拡張できるように設計された4入力ビデオ・マルチプレクサです。LT1204は、広いバンド幅、高スルーレート、そして低微分利得および微分位相などの特長を備えているため、放送品質の信号ルーチングに最適です。チャネル・セパレーションおよびディスエーブル時の分離は、10MHzまで90dB以上あります。チャネル間の出力スイッチング・トランジェントはわずか40mVP-P・50nsであるため、高解像度モニタでも変化が感じられません。

LT1204のユニークな特長は、より大きなルーチング・マトリクスに拡張できることです。これはディスエーブル状態で帰還抵抗をブートストラップして、回路の真の出力インピーダンスを高める特許申請中の回路によって達成されています。この機能の効果は、大規模システムにおいてケーブルの誤終端を防止できることです。

LT1204は±15V電源で動作するときには、大きな入力および出力信号レベルに対応できるため、汎用アナログ信号の選択や多重化に最適です。シャットダウン機能によって、消費電流が15mAまで減少します。


アプリケーション

  • 放送品質ビデオ・マルチプレクシング
  • 大マトリクス・ルーチング
  • 医療画像処理
  • 大振幅信号マルチプレクシング
  • プログラマブル・ゲイン・アンプ

LT1204
75MHz電流帰還アンプを内蔵した4入力ビデオ・マルチプレクサ
All Hostile Crosstalk Surface Mount PCB Measurements Product Package 1 Product Package 2
myAnalogに追加

myAnalogの製品セクション(通知受け取り)、既存/新規プロジェクトに製品を追加する。

新規プロジェクトを作成
質問する
サポート

アナログ・デバイセズのサポート・ページはアナログ・デバイセズへのあらゆるご質問にお答えするワンストップ・ポータルです。


ドキュメント

データシート

これは最新改訂バージョンのデータシートです。

さらに詳しく
myAnalogに追加

myAnalogのリソース・セクション、既存/新規プロジェクトにメディアを追加する。

新規プロジェクトを作成

ソフトウェア・リソース

必要なソフトウェア/ドライバが見つかりませんか?

ドライバ/ソフトウェアをリクエスト

最新のディスカッション

LT1204に関するディスカッションはまだありません。意見を投稿しますか?

EngineerZone®でディスカッションを始める

最近表示した製品