ADG782

製造中

SPSTスイッチ、クワッド、チップ・スケール・パッケージ、CMOS、低電圧、2.5Ω

利用上の注意

本データシートの英語以外の言語への翻訳はユーザの便宜のために提供されるものであり、リビジョンが古い場合があります。最新の内容については、必ず最新の英語版をご参照ください。

なお、日本語版のデータシートは基本的に「Rev.0」(リビジョン0)で作成されています。そのため、英語版が後に改訂され、複数製品のデータシートがひとつに統一された場合、同じ「Rev.0」の日本語版のデータシートが異なる製品のデータシートとして表示されることがあります。たとえば、「ADM3307E」の場合、日本語データシートをクリックすると「ADM3311E」が表示されます。これは、英語版のデータシートが複数の製品で共有できるように1本化され、「ADM3307E/ADM3310E/ADM3311E/ADM3312E/ADM3315E」(Rev.J)と改訂されたからで、決して誤ってリンクが張られているわけではありません。和文化されたデータシートを少しでも有効に活用していただくためにこのような方法をとっておりますので、ご了解ください。

アナログ・デバイセズ社は、提供する情報が正確で信頼できるものであることを期していますが、その情報の利用に関して、あるいはその利用によって生じる第三者の特許やその他の権利の侵害に関して一切の責任を負いません。また、アナログ・デバイセズ社の特許または特許の権利の使用を明示的または暗示的に許諾するものでもありません。仕様は予告なしに変更する場合があります。本紙記載の商標および登録商標は、各社の所有に属します。

Viewing:

製品情報

  • 単電源動作:1.8~5.5V 
  • オン抵抗:2.5Ω(typ) 
  • 低いオン抵抗平坦性:0.5Ω 
  • 3dB帯域幅:200MHz(min) 
  • レールtoレール動作 
  • 20ピンLFCSP パッケージ
  • 高速スイッチング時間:
    tON 16ns
    tOFF 10ns 
  • 消費電力:<0.01μW(typ) 
  • TTL/CMOSコンパチブル

ADG782は、個別に選択可能な4つのスイッチから構成されるモノリシックCMOSデバイスです。高度なサブミクロン・プロセスに基づく設計により、低消費電力でありながら、高速のスイッチング速度、低オン抵抗、低リーク電流、広帯域幅を実現します。+1.8~+5.5Vの単電源で動作するように設計されているため、バッテリ駆動の計測機器や、アナログ・デバイセズの新世代D/AコンバータおよびA/Dコンバータでの使用に理想的です。

ADG782
SPSTスイッチ、クワッド、チップ・スケール・パッケージ、CMOS、低電圧、2.5Ω
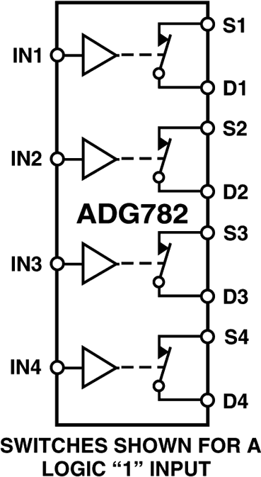
ADG782 Functional Block Diagram
myAnalogに追加

myAnalogの製品セクション(通知受け取り)、既存/新規プロジェクトに製品を追加する。

新規プロジェクトを作成
質問する
サポート

アナログ・デバイセズのサポート・ページはアナログ・デバイセズへのあらゆるご質問にお答えするワンストップ・ポータルです。


ドキュメント

さらに詳しく
myAnalogに追加

myAnalogのリソース・セクション、既存/新規プロジェクトにメディアを追加する。

新規プロジェクトを作成

ソフトウェア・リソース

必要なソフトウェア/ドライバが見つかりませんか?

ドライバ/ソフトウェアをリクエスト

ツールおよびシミュレーション

LTspice


下記製品はLTspiceで使用することが出来ます。:

  • ADG782

SPICEモデル 1

LTspice

LTspice®は、無料で提供される強力で高速な回路シミュレータと回路図入力、波形ビューワに改善を加え、アナログ回路のシミュレーションを容易にするためのモデルを搭載しています。

 

最新のディスカッション

最近表示した製品