ADG713

製造中

SPSTスイッチ、クワッド、CMOS、低電圧、2.5Ω

利用上の注意

本データシートの英語以外の言語への翻訳はユーザの便宜のために提供されるものであり、リビジョンが古い場合があります。最新の内容については、必ず最新の英語版をご参照ください。

なお、日本語版のデータシートは基本的に「Rev.0」(リビジョン0)で作成されています。そのため、英語版が後に改訂され、複数製品のデータシートがひとつに統一された場合、同じ「Rev.0」の日本語版のデータシートが異なる製品のデータシートとして表示されることがあります。たとえば、「ADM3307E」の場合、日本語データシートをクリックすると「ADM3311E」が表示されます。これは、英語版のデータシートが複数の製品で共有できるように1本化され、「ADM3307E/ADM3310E/ADM3311E/ADM3312E/ADM3315E」(Rev.J)と改訂されたからで、決して誤ってリンクが張られているわけではありません。和文化されたデータシートを少しでも有効に活用していただくためにこのような方法をとっておりますので、ご了解ください。

アナログ・デバイセズ社は、提供する情報が正確で信頼できるものであることを期していますが、その情報の利用に関して、あるいはその利用によって生じる第三者の特許やその他の権利の侵害に関して一切の責任を負いません。また、アナログ・デバイセズ社の特許または特許の権利の使用を明示的または暗示的に許諾するものでもありません。仕様は予告なしに変更する場合があります。本紙記載の商標および登録商標は、各社の所有に属します。

Viewing:

製品情報

  • 1.8~5.5Vの単電源
  • 2.5Ω(typ)のオン抵抗
  • 低オン抵抗平坦性
  • -3dB帯域幅>200MHz
  • レールtoレールの動作
  • 16ピンのTSSOP/SOICパッケージ
  • 高速のスイッチング・タイム
    tON 16ns
    tOFF 10ns
  • 消費電力(typ:<0.01μW)
  • TTL/CMOS互換

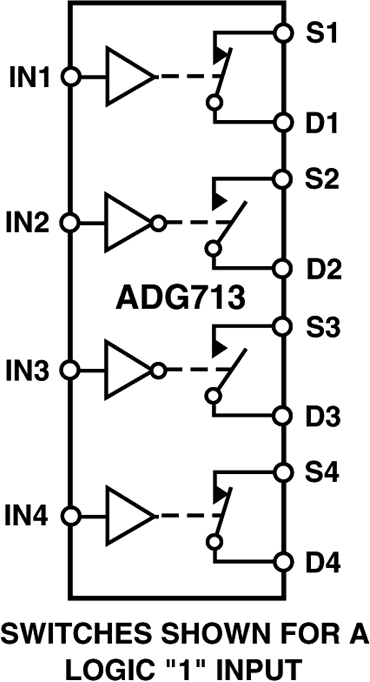
ADG713は、個別に選択可能な4つのスイッチで構成されるモノリシックCMOSデバイスです。高度なサブミクロン・プロセスに基づく設計により、低消費電力でありながら、高速のスイッチング速度、低オン抵抗、低リーク電流、広帯域幅を実現します。


ADG713は+1.8~+5.5Vの単電源で動作するため、バッテリ駆動の計測機器や、アナログ・デバイセズの新世代DACおよびADCでの使用に理想的です。高速のスイッチング速度と広帯域幅を備えているため、ビデオ信号のスイッチングに最適です。


ADG713のスイッチのうち2つはデジタル制御ロジックがADG711と同じですが、他の2つのスイッチでは、ロジックが反転します。オンのとき、各スイッチは双方向となります。ADG713はブレーク・ビフォア・メークのスイッチング動作を実行します。ADG713は、16ピンのTSSOP、16ピンのSOICパッケージで提供しています。


ADG713
SPSTスイッチ、クワッド、CMOS、低電圧、2.5Ω
ADG713 Functional Block Diagram
myAnalogに追加

myAnalogの製品セクション(通知受け取り)、既存/新規プロジェクトに製品を追加する。

新規プロジェクトを作成
質問する
サポート

アナログ・デバイセズのサポート・ページはアナログ・デバイセズへのあらゆるご質問にお答えするワンストップ・ポータルです。


ドキュメント

さらに詳しく
myAnalogに追加

myAnalogのリソース・セクション、既存/新規プロジェクトにメディアを追加する。

新規プロジェクトを作成

ソフトウェア・リソース

必要なソフトウェア/ドライバが見つかりませんか?

ドライバ/ソフトウェアをリクエスト

ツールおよびシミュレーション


評価用キット

eval board
EVAL-16TSSOP

スイッチ/マルチプレクサ・ポートフォリオの16ピンTSSOPデバイス評価用ボード

機能と利点

  • 16ピンTSSOP評価用ボード
  • クランプによってメイン・デバイスを簡単に変更可能
  • ゴールド・ピン・コネクタによって受動部品の追加が可能
  • 信号入出力用のSMBコネクタ
  • プロトタイピングを可能とする、オンボードの追加スペース

製品詳細

EVAL-16TSSOPEBZ評価用ボードは、別売のスイッチおよびマルチプレクサ・ポートフォリオの16ピンTSSOPデバイスを評価します。EVAL-16TSSOPEBZにはクランプが付属しており、ハンダ処理なしで16ピンTSSOPデバイスを評価用ボードに固定できるため、複数のデバイスでボードを再利用できます。

16ピンTSSOPデバイスは、評価用ボードの中央にクランプまたはハンダで取り付けることができます。デバイスの各ピンにはK1からK16まで対応するリンクがあり、VDDまたはGNDのいずれかに設定できます。ワイヤ・スクリュー端子は、VDDとGNDに電力を供給します。ボード上のSMBコネクタによって、追加の外部信号をデバイスに供給できます。また、ボードの上部にはプロトタイピングに利用できるスペースがあります。

テスト対象デバイス(DUT)のすべての仕様は、対応する製品のデータシートに記載されています。評価用ボードを使用する際は、このユーザー・ガイドと併せて参照してください。

EVAL-16TSSOP
スイッチ/マルチプレクサ・ポートフォリオの16ピンTSSOPデバイス評価用ボード
EVAL-16TSSOPEBZ Image

最新のディスカッション

最近表示した製品