ADG709

製造中

CMOS、3Ω低電圧 4チャンネル・マルチプレクサ

利用上の注意

本データシートの英語以外の言語への翻訳はユーザの便宜のために提供されるものであり、リビジョンが古い場合があります。最新の内容については、必ず最新の英語版をご参照ください。

なお、日本語版のデータシートは基本的に「Rev.0」(リビジョン0)で作成されています。そのため、英語版が後に改訂され、複数製品のデータシートがひとつに統一された場合、同じ「Rev.0」の日本語版のデータシートが異なる製品のデータシートとして表示されることがあります。たとえば、「ADM3307E」の場合、日本語データシートをクリックすると「ADM3311E」が表示されます。これは、英語版のデータシートが複数の製品で共有できるように1本化され、「ADM3307E/ADM3310E/ADM3311E/ADM3312E/ADM3315E」(Rev.J)と改訂されたからで、決して誤ってリンクが張られているわけではありません。和文化されたデータシートを少しでも有効に活用していただくためにこのような方法をとっておりますので、ご了解ください。

アナログ・デバイセズ社は、提供する情報が正確で信頼できるものであることを期していますが、その情報の利用に関して、あるいはその利用によって生じる第三者の特許やその他の権利の侵害に関して一切の責任を負いません。また、アナログ・デバイセズ社の特許または特許の権利の使用を明示的または暗示的に許諾するものでもありません。仕様は予告なしに変更する場合があります。本紙記載の商標および登録商標は、各社の所有に属します。

Viewing:

製品情報

  • 単電源:+1.8~+5.5V 
  • 両電源:±2.5V 
  • オン抵抗:3Ω 
  • オン抵抗平坦性:0.75Ω 
  • リーク電流:100pA 
  • スイッチング・タイム:14ns
  • ADG708:シングル8:1マルチプレクサ 
  • ADG709:差動4:1マルチプレクサ 
  • 16ピンTSSOPパッケージ 
  • 低消費電力 
  • TTL/CMOSコンパチブル

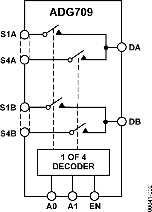
ADG709(差動4チャンネル)は、低電圧のCMOSアナログ・マルチプレクサです。AD709は、4つの差動入力のうち、2ビットのバイナリ・アドレス・ライン0、A1によって決定される1つの入力を、共通の差動出力に切り替えます。両デバイスのEN入力は、デバイスをイネーブルまたはディスエーブルにするために使用されます。ディスエーブルのときには、全チャンネルがオフ状態に切り替わります。


低消費電力、単電源動作:+1.8~+5.5VのADG709は、バッテリ駆動やポータブルの機器に理想的です。全チャンネルでブレーク・ビフォア・メーク動作を行うことによって、スイッチングの際における一時的な短絡を防止しています。

 

ADG709は、16ピンTSSOPパッケージで供給されます。ADG708はシングル8チャンネルのマルチプレクサです。 

ADG709
CMOS、3Ω低電圧 4チャンネル・マルチプレクサ
ADG709 Functional Block Diagram
myAnalogに追加

myAnalogの製品セクション(通知受け取り)、既存/新規プロジェクトに製品を追加する。

新規プロジェクトを作成
質問する
サポート

アナログ・デバイセズのサポート・ページはアナログ・デバイセズへのあらゆるご質問にお答えするワンストップ・ポータルです。


ドキュメント

さらに詳しく
myAnalogに追加

myAnalogのリソース・セクション、既存/新規プロジェクトにメディアを追加する。

新規プロジェクトを作成

ソフトウェア・リソース

必要なソフトウェア/ドライバが見つかりませんか?

ドライバ/ソフトウェアをリクエスト

ツールおよびシミュレーション

LTspice


下記製品はLTspiceで使用することが出来ます。:

  • ADG709
LTspice

LTspice®は、無料で提供される強力で高速な回路シミュレータと回路図入力、波形ビューワに改善を加え、アナログ回路のシミュレーションを容易にするためのモデルを搭載しています。

 


評価用キット

eval board
EVAL-16TSSOP

スイッチ/マルチプレクサ・ポートフォリオの16ピンTSSOPデバイス評価用ボード

機能と利点

  • 16ピンTSSOP評価用ボード
  • クランプによってメイン・デバイスを簡単に変更可能
  • ゴールド・ピン・コネクタによって受動部品の追加が可能
  • 信号入出力用のSMBコネクタ
  • プロトタイピングを可能とする、オンボードの追加スペース

製品詳細

EVAL-16TSSOPEBZ評価用ボードは、別売のスイッチおよびマルチプレクサ・ポートフォリオの16ピンTSSOPデバイスを評価します。EVAL-16TSSOPEBZにはクランプが付属しており、ハンダ処理なしで16ピンTSSOPデバイスを評価用ボードに固定できるため、複数のデバイスでボードを再利用できます。

16ピンTSSOPデバイスは、評価用ボードの中央にクランプまたはハンダで取り付けることができます。デバイスの各ピンにはK1からK16まで対応するリンクがあり、VDDまたはGNDのいずれかに設定できます。ワイヤ・スクリュー端子は、VDDとGNDに電力を供給します。ボード上のSMBコネクタによって、追加の外部信号をデバイスに供給できます。また、ボードの上部にはプロトタイピングに利用できるスペースがあります。

テスト対象デバイス(DUT)のすべての仕様は、対応する製品のデータシートに記載されています。評価用ボードを使用する際は、このユーザー・ガイドと併せて参照してください。

EVAL-16TSSOP
スイッチ/マルチプレクサ・ポートフォリオの16ピンTSSOPデバイス評価用ボード
EVAL-16TSSOPEBZ Image

最新のディスカッション

最近表示した製品