Sub-Milliohm DCR Current Sensing with Accurate Multiphase Current Sharing for High Current Power Supplies
Sub-Milliohm DCR Current Sensing with Accurate Multiphase Current Sharing for High Current Power Supplies
Jan 1 2013
The increasing functional complexity of electronic devices, combined with the desire for higher microprocessor computational speed and the quest for eco-friendly electronics, places stringent requirements on power supplies. High current supplies are expected to operate at top efficiency. In order to minimize conduction losses, power supplies are placed closer to the load, and multiple power stages are used on the same board. Individual power stages have had to shrink in size to fit the available board area. To achieve the best performance per board area, controllers must work with external power stages such as power blocks, DrMOS or external gate drivers with MOSFETs.
The LTC3861 is a multiphase dual output synchronous step-down DC/DC controller that can operate with power blocks, DrMOS and external gate drivers. It is flexible enough to operate as a dual output, 3+1 output, or up to a 12-phase single output step-down converter.
The LTC3861 uses a constant-frequency voltage mode architecture, combined with a very low offset, high bandwidth error amplifier and a remote output sense differential amplifier per channel for excellent transient response and output regulation. The error and differential amplifiers have a gain bandwidth of 40MHz, high enough not to affect the main loop compensation and transient behavior, especially when all ceramic low ESR output capacitors are used to minimize output ripple. The differential amplifiers sense the resistively divided feedback voltage differentially over the full output range from 0.6V to VCC – 0.5V, ensuring that the LTC3861 sees the actual output voltage, independent of any offsets between power ground and the controller’s ground.
In a voltage mode control loop, the error amplifier output is compared to a saw-tooth ramp, which directly controls the converter duty cycle. The output voltage of the error amplifier depends on the magnitude of the error signal between the differentially sensed output voltage and the amplifier reference voltage. The 600mV reference has an accuracy of ±0.75% over a 0°C to 85°C temperature range. This, combined with the low offset of the amplifiers, guarantees a total output regulation accuracy of ±1.3% over a –40°C to 125°C temperature range.
The LTC3861 achieves outstanding line transient response using a feedforward correction scheme, which instantaneously adjusts the duty cycle to compensate for changes in input voltage, significantly reducing output overshoot and undershoot. This scheme makes the DC loop gain independent of the input voltage. The converter has a minimum on-time of 20ns, which is suitable for high step-down ratio converters operating at high frequencies. The operating frequency is resistor programmable from 250kHz to 2.25MHz, or can be synchronized to an external clock through an onboard PLL.
Multiphase Current Sharing
The controller allows the use of sense resistors or lossless inductor DCR current sensing to maintain current balance between phases and to provide overcurrent protection. In multiphase operation, the LTC3861 incorporates an auxiliary current share loop, which is activated by configuring the FB pin and by adding an external capacitor on the IAVG pin. The voltage on the IAVG pin corresponds to the instantaneous average inductor current of the master phase. Each slave phase integrates the difference between its inductor current and the master’s. A resistor connected to the ILIM pin sets the threshold for the positive and negative overcurrent fault protection comparator. The maximum current sense mismatch between phases is ±1.25mV over –40°C to 125°C temperature range.
Circuit Performance
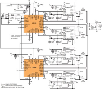
Figure 1 shows a high efficiency 12V to 0.9V/120A 4-phase step-down converter with low DCR sensing. An inductor with DCR = 0.45mΩ is used in the design. The current sharing accuracy between the four phases at full 120A load current is ±2.15%. Figure 2 shows the current sharing between phases as a function of varying load current.

Figure 1. 4-phase, VIN =12V, VOUT = 0.9V/120A, step-down converter with DrMOS, fSW = 500kHz.

Figure 2. Current sharing between the four phases with varying load current.
Figure 3 shows the thermal image at 120A load, and the hottest spot occurs on the MOSFETs of channels 2 and 3. The efficiency at full 120A load is close to 86%, as illustrated in Figure 4. Figure 5 shows the steady state voltage ripple as approximately ±0.3% of output voltage. Load step transient analysis was performed by stepping the load from 75% to 100% of full load. This resulted in a 30A load step from 90A to 120A. The peak to peak voltage overshoot and undershoot during a load step was 60mV, which is about ±3.3% of output voltage.

Figure 3. Thermal image at 0.9V/120A, 400 FPM, fSW = 500kHz.

Figure 4. 4-phase, 0.9V/120A converter efficiency.

Figure 5. Steady state voltage ripple.

Figure 6. 30A Load step transient response from 90A to 120A.
Conclusion
The LTC3861 is a voltage mode controller with accurate current sharing of up to 12 phases in parallel. Since it has a 3-state PWM output instead of a built-in gate driver output, the controller can be placed further from high current paths. Because output voltage is differentially sensed, offsets between power ground and the LTC3861’s ground do not affect load regulation.
The LTC3861 works with DrMOS, power blocks, and external MOSFETs with an LTC4449 gate driver. It is used in high current distributed power systems, DSP, FPGA, and ASIC supplies, datacom and telecom systems, and industrial power supplies. The LTC3861 is available in a 36-pin 5mm × 6mm QFN package. In addition, the LTC3861-1 is a pin-compatible drop-in replacement for the LTC3860, available in a 32-pin 5mm × 5mm QFN package.
About the Authors
Related to this Article
Products
RECOMMENDED FOR NEW DESIGNS
Dual, Multiphase Step-Down Voltage Mode DC/DC Controller with Accurate Current Sharing
PRODUCTION
High Speed Synchronous N-Channel MOSFET Driver
PRODUCTION
Dual, Multiphase Step-Down Voltage Mode DC/DC Controller with Current Sharing