LTC7800EUDC Demo Board With GaNFETS/500kHz | 30V ≤ VIN ≤ 55V; VOUT = 12V @ 20A

Feb 22 2018

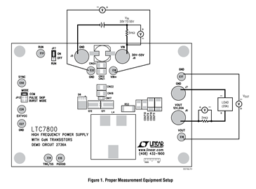
Figure 1

   

Demonstration circuit 2736A is a single output high voltage nonisolated synchronous step-down converter that drives all GaN transistor power stage. It features the LTC®7800, a low quiescent current high frequency (programmable fixed frequency from 320kHz up to 2.25MHz) synchronous step-down DC/DC controller housed in a small 3mm × 4mm QFN package.

 

DC2736A

Add to myAnalog

Add article to the Resources section of myAnalog, to an existing project or to a new project.

Create New Project

Related to this Article

Product Categories

Resources

Latest Media 21

Subtitle
Learn More
Add to myAnalog

Add article to the Resources section of myAnalog, to an existing project or to a new project.

Create New Project