Ideal Diode and Hot Swap Controller Enables Supply Redundancy and Isolates Faults
Ideal Diode and Hot Swap Controller Enables Supply Redundancy and Isolates Faults
Jan 1 2013
Schottky diodes are used in a variety of ways to implement multisource power systems. For instance, high availability electronic systems—such as µTCA network and storage servers—employ power Schottky diode-OR circuits in redundant power systems. Diode ORing is also used in systems with alternate power sources, such as an AC wall adapter and a backup battery feed. The problem is that the Schottky diodes consume power due to the forward voltage drop—the resulting heat must be dissipated with dedicated copper area on the PCB, or by heat sinks bolted to the diode, both of which require significant space.
The family of products comprising the LTC4225, LTC4227 and LTC4228 minimize power loss by using external N-channel MOSFETs for pass elements, minimizing the voltage drop from the supply to the load when the MOSFETs are turned on. When an input source voltage drops below the output common supply voltage, the appropriate MOSFET is turned off, thereby matching the function and performance of an ideal diode.
As shown in Figure 1, by adding a current sense resistor and configuring two MOSFETs back-to-back with separate gate control, the LTC4225 enhances the ideal diode performance with inrush current limiting and overcurrent protection. This allows the boards to be safely inserted and removed from a live backplane without damaging the connector. The LTC4227 can be used with the current sense resistor and the Hot Swap MOSFET added after the parallel-connected ideal diode MOSFET to save one MOSFET. By configuring the sense resistor between the ideal diode and Hot Swap MOSFET, the LTC4228 improves on the LTC4225 by recovering more quickly from input brownouts to preserve the output voltage.

Figure 1. An overview of different configurations with sense resistor and external N-channel MOSFETs for the LTC4225, LTC4227 and LTC4228.
The LTC4225-1, LTC4227-1 and LTC4228-1 feature a latchoff circuit breaker, while the LTC4225-2, LTC4227-2 and LTC4228-2 provide automatic retry after a fault. Both options are available in 24-pin, 20-pin and 28-pin 4mm × 5mm QFN and SSOP packages for LTC4225, LTC4227 and LTC4228, respectively.
Ideal Diode Control
The LTC4225 and LTC4228 function as an ideal diode by monitoring the voltage between IN and OUT pins (IN and SENSE+ pins for LTC4227) with an internal gate drive amplifier, which drives the DGATE pin. The amplifier quickly pulls up the DGATE pin, turning on the MOSFET for ideal diode control, when it senses a large forward voltage drop (Figure 2).

Figure 2. Ideal diode controller CPO and DGATE pull up when IN supply turns on.
An external capacitor connected between the CPO and IN pins provides the charge needed to quickly turn on the ideal diode MOSFET. An internal charge pump charges up this capacitor at device power-up.
The DGATE pin sources current from the CPO pin and sinks current into the IN and GND pins. The gate drive amplifier controls DGATE to servo the forward voltage drop across the sense resistor and the two external N-channel MOSFETs to 25mV.
If the load current causes more than 25mV of voltage drop, the gate voltage rises to enhance the MOSFET used for ideal diode control. In the case of an input supply short-circuit when the MOSFETs are conducting, a large reverse current starts flowing from the load toward the input. The gate drive amplifier detects this failure condition as soon as it appears and turns off the ideal diode MOSFET by pulling down the DGATE.
Hot Swap Control
Pulling the ON pin high and the EN pin low initiates a 100ms debounce timing cycle. After this timing cycle, a 10µA current from the charge pump ramps up the HGATE pin. When the Hot Swap MOSFET turns on, the inrush current is limited at a level set by an external sense resistor connected between the IN and SENSE pins for LTC4225 (SENSE+ and SENSE– pins for LTC4227 and LTC4228). An active current limit amplifier servos the gate of the MOSFET so that 65mV appears across the current sense resistor. If the sense voltage exceeds 50mV for more than a fault-filter delay configured at the TMR pin, a circuit breaker trips and pulls HGATE low. Inrush current can be further reduced, if desired, by adding a capacitor from HGATE to GND. When the MOSFET’s gate overdrive (HGATE to OUT voltage) exceeds 4.2V, the PWRGD pin pulls low (Figure 3).

Figure 3. Hot Swap controller HGATE starts up and PWRGD pulls low after 100ms delay when ON toggles high.
Combining the Ideal Diode and Hot Swap Control
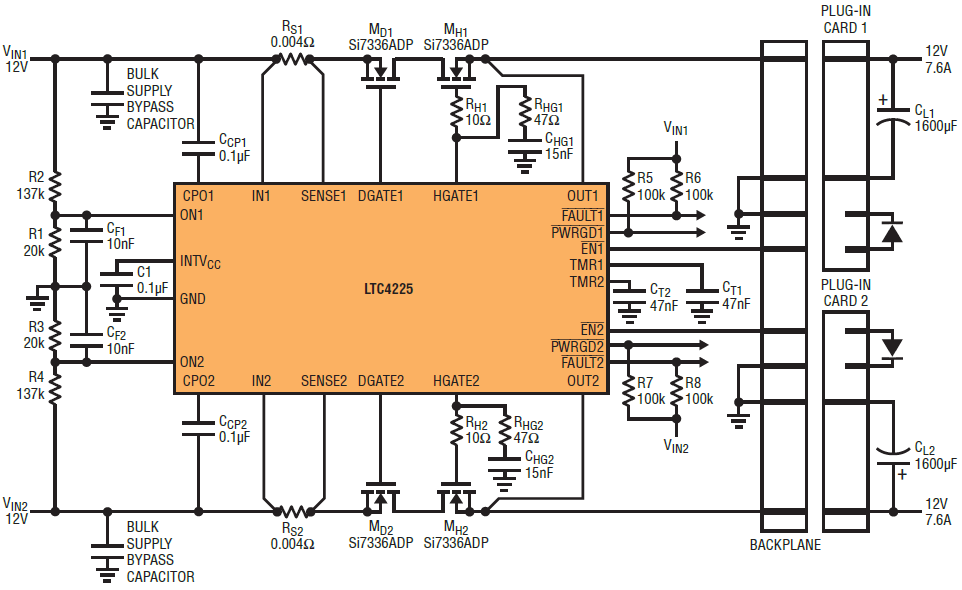
In a typical µTCA application with redundant supplies (Figures 4 and 9), the outputs are diode-ORed at the backplane, so cards can be removed or inserted without powering down the system. The LTC4225 and LTC4228, which both include dual ideal diode and Hot Swap controllers, are ideal for these applications—they provide smooth supply switchover between two supplies and overcurrent protection.

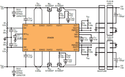
Figure 4. The LTC4225 in a µTCA application to supply 12V power to two µTCA slots.
If the main supply loses power, the controller reacts quickly to turn off the ideal diode MOSFET in the main supply path and turn on the MOSFET in the redundant supply path, providing a smooth supply switchover to the output load. The Hot Swap MOSFETs remain on so they do not affect the supply switchover. The controller turns off a Hot Swap MOSFET when the respective ON pin is pulled low or EN pin is pulled high. When an overcurrent fault is detected at the output, the gate of the Hot Swap MOSFET is pulled down quickly, after which the output is regulated in current limit until the fault filter delay set by the TMR pin capacitor times out. The Hot Swap MOSFET is turned off and the FAULT pin is latched-low to indicate a fault. The electronic circuit breaker is reset by pulling the ON pin below 0.6V.
Prioritizing a Power Supply
In a traditional diode-ORed multisupply system, the input supply with the higher voltage is passed to the output, while the lower voltage supply is shut out. This simple solution satisfies the needs of applications where the priority of the supplies is not simply a matter of the higher voltage supply winning. Figure 5 shows a backup supply system where the 5V primary supply (INPUT1) is passed to the output whenever it is available, while the 12V backup supply (INPUT2) is called on only when the primary supply fails to deliver.

Figure 5. LTC4225 for 2-channel power prioritizer with IN1 as the prioritizing input.
As long as INPUT1 is above the 4.3V UV threshold set by the R1-R2 divider at the ON1 pin, MH1 is turned on, connecting INPUT1 to the output. When MH1 is on, PWRGD1 goes low, which in turn pulls ON2 low and disables the IN2 path by turning MH2 off. If the primary supply fails and INPUT1 drops below 4.3V, ON1 turns off MH1 and PWRGD1 goes high, allowing ON2 to turn on MH2 and connect the INPUT2 to the output. The ideal diode MOSFETs MD1 and MD2 prevent backfeeding of one input to the other under any condition.
Swapping the Diode and Hot Swap Fet on Supply and Load Side
The LTC4225 allows applications with back-to-back MOSFETs to be configured with the MOSFET on the supply side as the ideal diode and the MOSFET on the load side as the Hot Swap control (Figure 4) or vice versa (Figure 6). In Figure 6, an external Zener diode clamp may be required between the GATE and SOURCE pins of the MOSFET to prevent it from breaking down if the MOSFET’s gate-to-source voltage is rated for less than 20V. In either arrangement, LTC4225 smoothly switches between supplies with its ideal diode ORing between the IN and OUT pins.

Figure 6. LTC4225 for application with the Hot Swap MOSFET on the supply side and the ideal diode MOSFET on the load side.
Dual Ideal Diode and Single Hot Swap Control
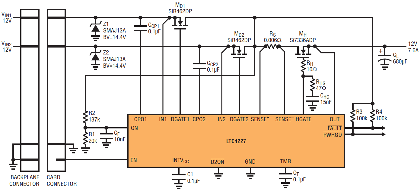
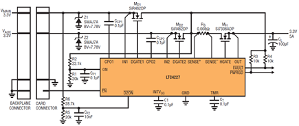
Figure 7 shows a LTC4227 application where the sense resistor is placed after dual supply ideal diode MOSFETs connected in parallel, which is then followed by a single Hot Swap MOSFET. Here, the LTC4227 regulates an overloaded output at 1× the current limit before fault timeout, instead of 2×, as in the LTC4225 diode-OR application. As a result, power dissipation is reduced during an overload condition.

Figure 7. LTC4227 for card-resident diode-OR application with Hot Swap control.
The LTC4227 also features the D2ON pin, which allows the IN1 supply to be easily prioritized. For example, Figure 8 shows a simple resistive divider connecting IN1 to the D2ON pin, so that the IN1 supply is prioritized until IN1 falls below 2.8V, wherein MD2 is turned on and the diode-OR output is switched from the main 3.3V supply at IN1 to the auxiliary 3.3V supply at IN2.

Figure 8. Plug-in card IN1 supply controls the IN2 supply turn-on via D20N of LTC4227.
Faster Output Recovery From Input Collapse
In the LTC4225 µTCA application shown in Figure 4, if one of the input supplies collapses to ground momentarily while the other supply is not available, HGATE is pulled low to turn off the Hot Swap MOSFET as the IN supply drops below the undervoltage lockout threshold. When the input supply recovers, HGATE is allowed to start up to turn on the MOSFET. As it takes a while to charge up HGATE and the depleted output capacitance, the output voltage may brown out during this period.
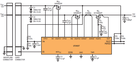
In this situation, the LTC4228 offers an advantage over the LTC4225 by recovering more quickly to preserve the output voltage. As shown in Figure 9, the sense resistor is placed in between the ideal diode and Hot Swap MOSFET, allowing the SENSE+ pin voltage to be held up by the output load capacitance temporarily when the input supply collapses.

Figure 9. LTC4228 for µTCA application to supply 12V power to two µTCA slots.
This prevents the SENSE+ voltage from entering into undervoltage lockout and turning off the Hot Swap MOSFET. As the input supply recovers, it charges up the depleted load capacitance and instantly provides power to the downstream load, since the Hot Swap MOSFET remains on.
Conclusion
The LTC4225, LTC4227 and LTC4228 enable ideal diode and Hot Swap functions for two power rails by controlling external N-channel MOSFETs. They feature fast reverse turn-off, smooth supply switchover, active current limit and status and fault reporting. Their tight 5% circuit breaker threshold accuracy and fast acting current limit protect the supplies against overcurrent faults. The LTC4228’s fast recovery from input brownouts preserves the output voltage in the face of such events.