Overview
Design Resources
Design & Integration File
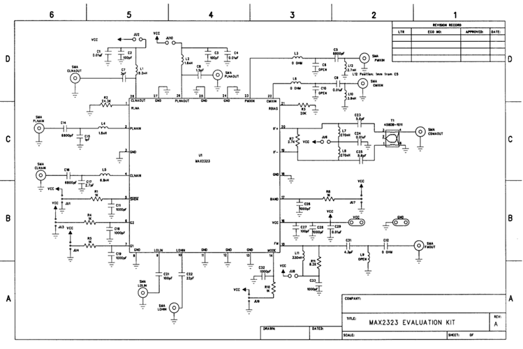
- Schematic of MAX2323 Evaluation Kit
- Bill of Materials Pt 1
- Bill of Materials Pt 2
- Cellular LNA/Mixer IIP3 Measurement Test Setup
- Cellular LNA/Mixer Noise-Figure Measurement Test Setup
- PCS LNA/Mixer IIP3 Measurement Test Setup
- PCS LNA/Mixer Noise-Figure Measurement Test Setup
Description
Analog Devices continually improves certain IC performances for specific customer requests. The MAX2323 is a newer version of the MAX2320. The objective of this project was to prove the slight improvements in this revision in comparison with its predecessor, and to show the correct setup for evaluating LNAs and mixers. In summary, minor changes were noted, and the revision was determined to be at least as good as its forerunner.
The MAX2323 low-noise amplifier (LNA) plus mixer is designed for dual-band CDMA cellular-phone handsets, but it can also be used in dual-band TDMA, GSM, EDGE, or WCDMA applications. It differs from its predecessor (the MAX2320) by adding a third "mid-gain" state for the cellular-band LNA that improves switchover hysteresis margin. It also comes in a smaller package (28-QFN) and offers increased third-order input intercept.
Parts Used
Documentation & Resources
-
REP019 Design Files3/3/2021ZIP155 K
Support & Training
Search our knowledge base for answers to your technical questions. Our dedicated team of Applications Engineers are also available to answer your technical questions.
