Data Sheet
Rev.
0
1
View All
Overview
Features and Benefits
- Supports DS1854, DS1857, DS1858, and DS1859
- Windows Software Allows Easy Access to Device Functionality and Handles 2-Wire Communication
- ZIF Socket Allows All Four Device Types to be Evaluated from a Single Board
- Software Allows User to Program Variable Resistors from a Text File
- Real-Time Monitoring Software Continuously Monitors Temperature, VCC, Monitor Inputs, and Status Bytes
- External Temperature Sensor Footprint for Evaluating the DS1857
- EV Kit's Software can be Used to Configure or Monitor the Device in a Customer's Application Circuit
Product Details
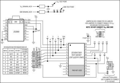
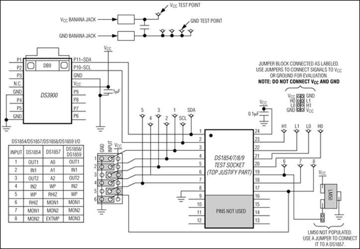
The fiber optic monitor and control evaluation kit (EV kit) provides a hardware and software interface for evaluating the DS1854, DS1857, DS1858, and DS1859. The kit includes Microsoft Windows®-compatible software that performs the 2-wire functions required to change the device settings and monitor the device registers. In addition to the general communications functions provided by the software, it allows the resistors' temperature-addressed look-up tables to be programmed from a text file. The kit hardware includes test points that allow inputs to be connected to the external stimuli and outputs to be monitored by test equipment; jumpers can be used to configure the device for the customer's application.
Applications
- Diagnostic Monitoring
- Instrumentation and Industrial Controls
- Optical Transceivers
- Optical Transponders
- RF Power Amps
