Overview
Product Details
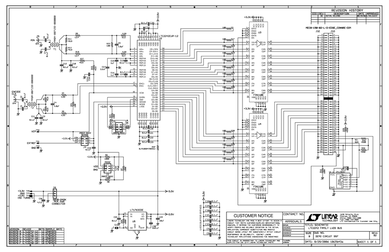
DC997B-A - Demo Board for the LTC2242-12 12-Bit, 250Msps ADC.
Applicable Parts
Documentation & Resources
-
DC997B - Schematic5/22/2012PDF367K
-
DC997B - Demo Manual5/22/2012PDF432K
-
DC997B - Design Files5/22/2012ZIP1M
