Overview
Product Details
DC987B-E: Demo Board for the LTC6401-8 2.2GHz Low Noise, Low Distortion Differential ADC Driver for DC-140MHz.
Applicable Parts
Documentation & Resources
-
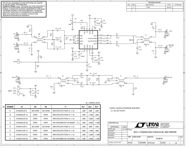
DC987B - Schematic9/24/2009PDF35K
-
DC987B - Demo Manual9/24/2009PDF207K
-
DC987B - Design File9/24/2009ZIP1M
