Overview
Product Details
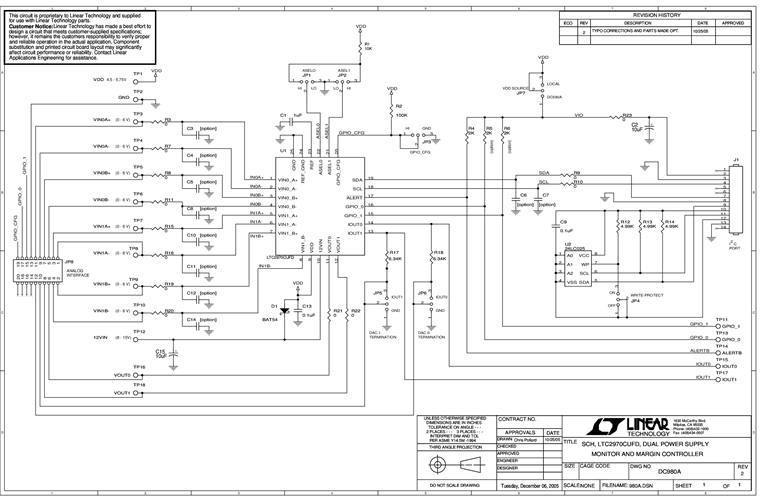
The DC980A and DC980B are a demonstration system that showcases the LTC2970, a dual power supply monitor and margining controller with an I2C interface. The DC980A board contains the LTC2970 device and the DC980B board contains the LTC3828 dual DC/DC controller. The two boards interface to each other via a 20-pin connector. The DC980B board features the LTC3828 dual output, 2-phase synchronous buck regulator. The LTC2970’s two voltage-buffered, 8-bit IDACs allow highly accurate margining of the LTC3828’s output voltages. The IDACs can be configured to automatically servo the power supplies to a desired voltage using the ADC for feedback. The DC980B comes preconfigured with 3.3V and 5V power supply rail voltages.
Applicable Parts
Documentation & Resources
- 
                                                                
                                                                    
                                                                                                                                            DC980B - Schematic10/13/2015PDF79K
- 
                                                                
                                                                    
                                                                                                                                            DC980A - Schematic10/13/2015PDF45K
- 
                                                                
                                                                    
                                                                                                                                            DC980A/DC980B - Demo Manual11/9/2015PDF1M
- 
                                                                
                                                                    
                                                                                                                                            DC980A/DC980B - Design Files10/13/2015ZIP2M
 
                             
                         
                         
                                                 
                                                
