Overview
Product Details
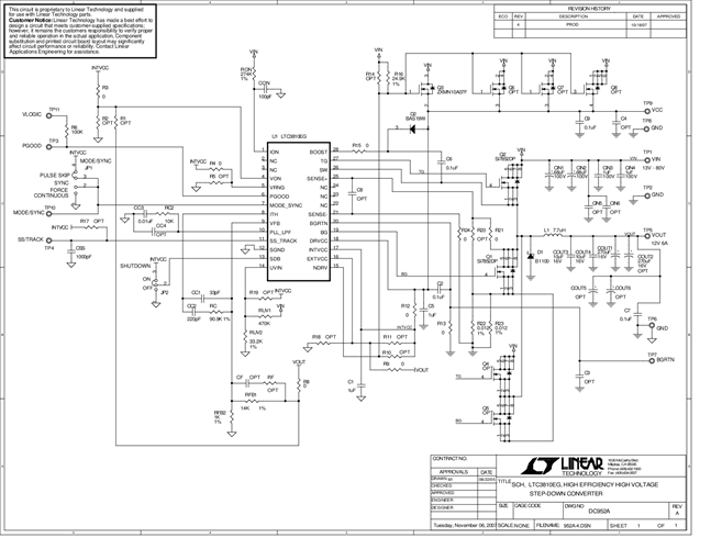
Demonstration circuit 952 is a current mode synchronous switching regulator featuring the LTC3810. The circuit is configured as a synchronous step-down regulator operating at 230kHz switching frequency. Output voltage is 12V at 6A maximum load. The input voltage range is 13V to 80V.
Applicable Parts
Documentation & Resources
- 
                                                                
                                                                    
                                                                                                                                            DC952A - Schematic9/24/2009PDF41K
 
- 
                                                                
                                                                    
                                                                                                                                            DC952A - Demo Manual9/24/2009PDF128K
 
- 
                                                                
                                                                    
                                                                                                                                            DC952A - Design File9/24/2009ZIP1M
 
                                                