Overview
Product Details
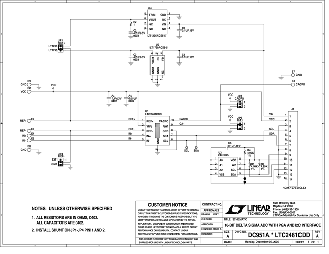
DC951A: Demo Board for the LTC2481 16-Bit Delta Sigma ADC with Easy Drive Input Current Cancellation and I2C Interface.
Markets and Technologies
Applicable Parts
Documentation & Resources
-
DC951A - Schematic9/24/2009PDF29K
-
DC951A - Demo Manual6/20/2013PDF359K
-
DC951A - Design File9/24/2009ZIP662K
