Overview
Product Details
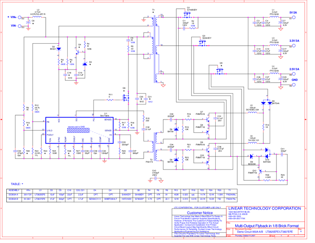
Demonstration circuit 950A-B is an isolated, 30W multi-output, synchronous flyback converter in 1/8 brick format featuring the LT3837. Output voltage sensing is implemented without the use of opto-coupler, by sensing the voltage across a primary side auxiliary winding. A load compensation circuit is used to compensate for voltage drops caused by load currents. DC950A-B has input voltage range 9V-36V. Demonstration circuit 950A uses a transformer design with tapped secondary winding, to achieve higher efficiency and better cross regulation than is possible with a transformer that uses a separate winding for each output.
Applicable Parts
Documentation & Resources
-
DC950A - Schematic9/24/2009PDF38K
-
DC950A - Demo Manual9/24/2009PDF345K
-
DC950A - Design File9/24/2009ZIP733K
