Overview
Product Details
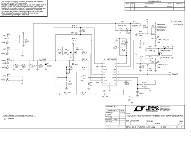
DC947A: Demo Board for the LT3740 Wide Operating Range, Valley Mode, No RSENSE Synchronous Step-Down Controller.
Applicable Parts
Documentation & Resources
-
DC947A - Schematic9/24/2009PDF39K
-
DC947A - Demo Manual9/24/2009PDF310K
-
DC947A - Design File9/24/2009ZIP746K
