Overview
Product Details
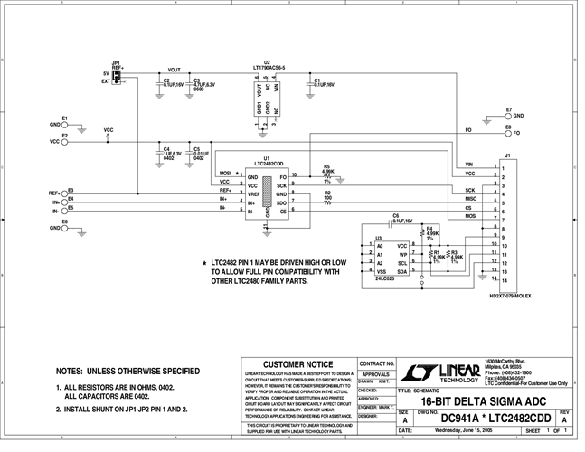
DC941A: Demo Board for the LTC2482 16-Bit Delta Sigma ADC with Easy Drive Input Current Cancellation.
Markets and Technologies
Applicable Parts
Documentation & Resources
-
DC941A - Schematic9/24/2009PDF27K
-
DC941A - Demo Manual6/20/2013PDF553K
-
DC941A - Design File9/24/2009ZIP560K
