Overview
Product Details
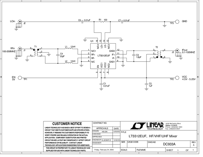
DC933A: Demo Board for the LT5512 1kHz-3GHz High Signal Level Active Mixer.
Applicable Parts
Documentation & Resources
- 
                                                                
                                                                    
                                                                                                                                            DC933A - Schematic9/24/2009PDF27K
- 
                                                                
                                                                    
                                                                                                                                            DC933A - Demo Manual9/24/2009PDF129K
- 
                                                                
                                                                    
                                                                                                                                            DC933A - Design File9/24/2009ZIP518K
 
                             
                         
                         
                                                