Overview
Product Details
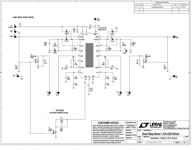
DC923A: Demo Board for the LT3475/LT3475-1 Dual Step-Down 1.5A LED Driver
Applicable Parts
Documentation & Resources
-
DC923A - Schematic9/24/2009PDF325K
-
DC923A - Demo Manual9/24/2009PDF428K
-
DC923A - Design File9/24/2009ZIP526K




