Overview
Product Details
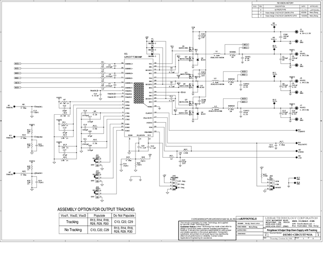
Demonstration circuit 913 is a high efficiency and high density supply featuring the 3-output, 3-phase synchronous buck regulator LTC3773 in the 5x7 QFN-38 package. The input voltage range of the demo board is designed for 4.5V to 13.5V, though the LTC3773 controller can take up to 36VMAX VIN. The outputs of this board are 2.5V @ 15A, 1.8V @ 15A and 1.2V @ 15A.
Applicable Parts
Documentation & Resources
-
DC913A - Schematic9/24/2009PDF97K
-
DC913A - Demo Manual9/24/2009PDF434K
-
DC913A - Design File9/24/2009ZIP2M