Overview
Product Details
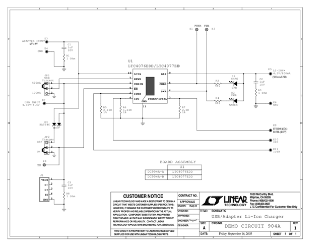
DC904A-B: Demo Board for the LTC4077 Dual Input Standalone Li-Ion Battery Charger.
Applicable Parts
Documentation & Resources
-
DC904A - Schematic9/24/2009PDF32K
-
DC904A - Demo Manual9/24/2009PDF328K
-
DC904A - Design File9/24/2009ZIP700K
