Documentation & Resources
-
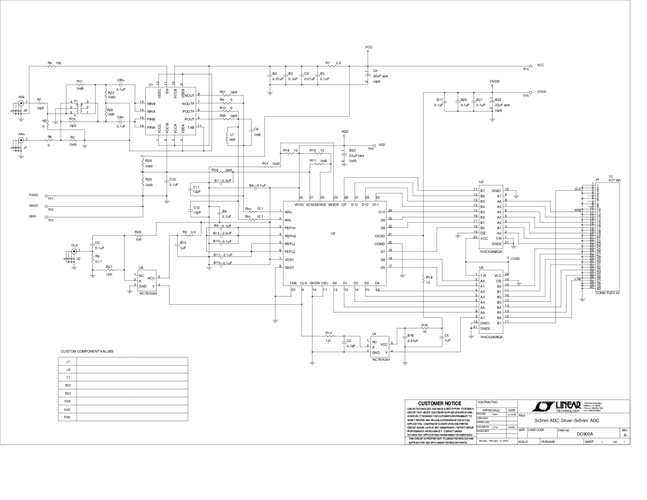
DC900A - Schematic9/24/2009PDF40K
-
DC900A - Demo Manual9/24/2009PDF1M
-
DC900A - Design File9/24/2009ZIP877K
