Overview
Product Details
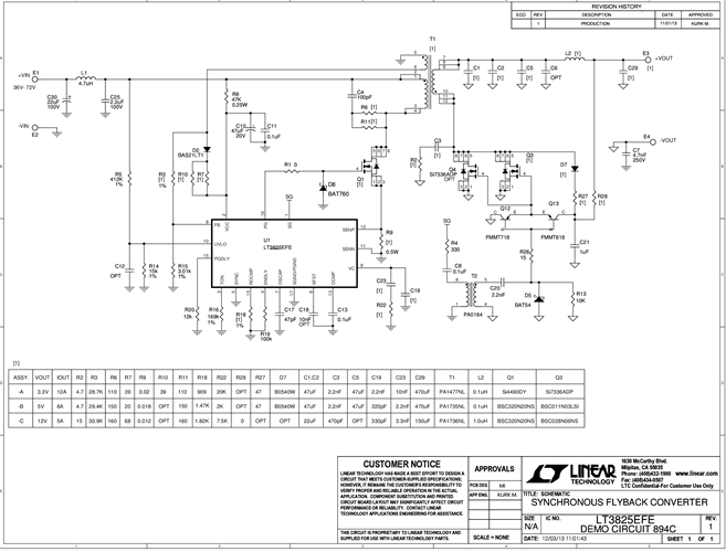
Demonstration circuit 894C-B is a 36V-72Vin, synchronous flyback converter featuring the LT3825. The circuit was designed specifically to attain a high current, low ripple, synchronously rectified flyback to efficiently power 5.0V loads at up to 8A from a typical telecom input voltage range.
Applicable Parts
Documentation & Resources
-
DC894C - Schematic2/10/2014PDF60K
-
DC894C-B - Demo Manual2/10/2014PDF1M
-
DC894C - Design Files2/10/2014ZIP1M
