Overview
Product Details
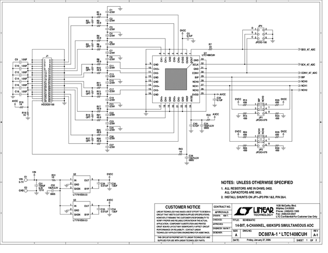
DC887A: Demo Board for the LTC1408 6-Channel, 14-Bit, 600ksps Simultaneous Sampling ADC with Shutdown.
Applicable Parts
Documentation & Resources
-
DC887A - Schematic9/24/2009PDF72K
-
DC887A - Demo Manual9/24/2009PDF2M
-
DC887A - Design File9/24/2009ZIP1M
