Overview
Product Details
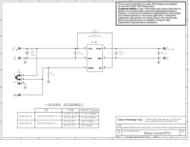
Demonstration circuit 879 is a Micropower Synchronous Step-Up Converter with Output Disconnect featuring the LTC3525-3.3 and LTC3525-5. The LTC3525 is a high performance Burst Mode operation only, synchronous boost converter. The LTC3525 incorporates a feature that maximizes efficiency by adjusting the peak and valley of the inductor current as a function of load. The demo board has two assembly versions: DC879A-A and DC879A-B. The DC879A-A offers fixed 3.3V output. The DC879A-B offers fixed 5V output. They offer a compact, high efficiency solution in single cell or dual cell alkaline or Li-ion applications. Only three small external components are required.
Markets and Technologies
Applicable Parts
Documentation & Resources
-
DC879A - Schematic9/24/2009PDF56K
-
DC879A - Demo Manual9/24/2009PDF240K
-
DC879A - Design File9/24/2009ZIP680K



