Overview
Product Details
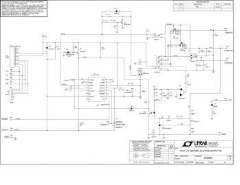
DC859A: Demo Board for the LTC4267 Power over Ethernet IEEE 802.3af PD Interface with Integrated Switching Regulator.
Applicable Parts
Documentation & Resources
-
DC859A - Schematic9/24/2009PDF46K
-
DC859A - Demo Manual9/24/2009PDF348K
-
DC859A - Design File9/24/2009ZIP964K
