Overview
Product Details
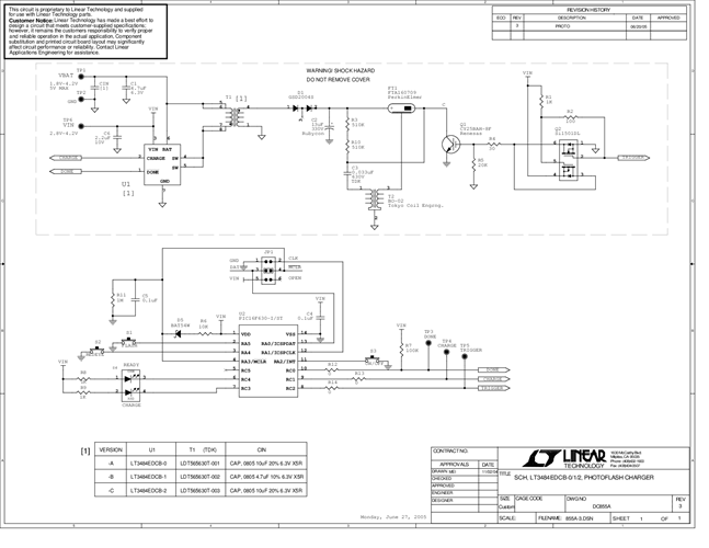
DC855A-C: Demo Board for the LT3484 Photoflash Capacitor Charger.
Applicable Parts
Documentation & Resources
-
DC855A - Schematic9/24/2009PDF40K
-
DC855A - Demo Manual9/24/2009PDF192K
-
DC855A - Design File9/24/2009ZIP702K
