Overview
Product Details
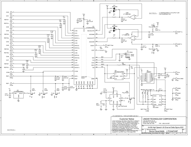
DC846A: Demo Board for the LTC2447 24-Bit High Speed 8-Channel Delta Sigma ADCs with Selectable Multiple Reference Inputs.
Applicable Parts
Documentation & Resources
-
DC846A - Schematic9/24/2009PDF31K
-
DC846A - Demo Manual6/19/2012PDF198K
-
DC846A - Design File9/24/2009ZIP644K
