Overview
Product Details
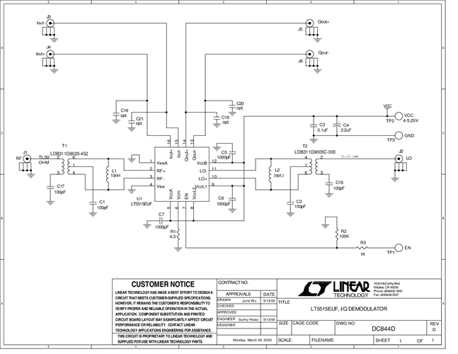
DC844D: Demo Board for the LT5515 1.5GHz to 2.5GHz Direct Conversion Quadrature Demodulator.
Applicable Parts
Documentation & Resources
-
DC844D - Schematic9/24/2009PDF28K
-
DC844D - Demo Manual9/24/2009PDF135K
-
DC844D - Design File9/24/2009ZIP636K
