Overview
Product Details
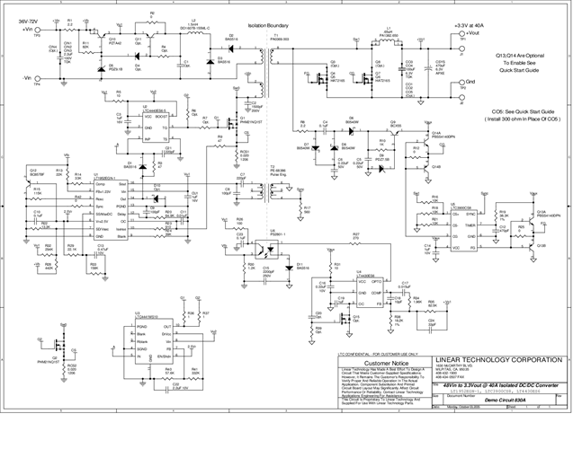
DC830A: Demo Board for the LT1952 Single Switch Synchronous Forward Controller.
Applicable Parts
Documentation & Resources
-
DC830A - Schematic9/24/2009PDF46K
-
DC830A - Demo Manual9/24/2009PDF741K
-
DC830A - Design File9/24/2009ZIP0K
