Overview
Product Details
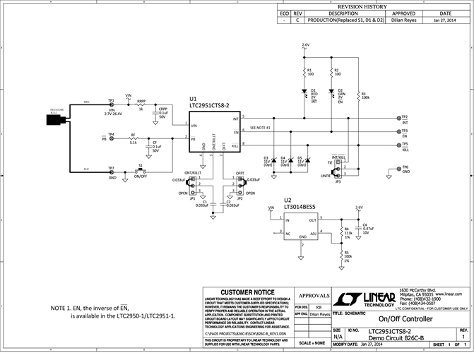
Demonstration Circuits 826C-A and 826C-B feature the LTC2950-2 and the LTC2951-2 respectively, which are low power, wide input voltage range, Push Button On/Off Controllers. A push button switch shorts the /PB pin to ground which in turn sets the /EN pin low. Shorting /PB to ground a second time subsequently resets the /EN pin high. The /EN pin is used to connect to a DC/DC converter shutdown to control the turn on and off of the circuit, simulated with a green LED on the DC826C-A/DC826C-B.
Applicable Parts
Documentation & Resources
-
DC826C - Schematic7/21/2015PDF72K
-
DC826C - Demo Manual8/19/2015PDF275K
-
DC826C - Design Files7/21/2015ZIP1M




