Overview
Product Details
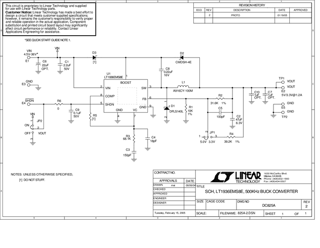
Demonstration circuit 825 is a monolithic step-down DC/DC switching regulator featuring the LT1936. The demo board is optimized for 3.3V output at 1.2A from a 4.5V to 36V input or a 5V, 1.2A output from a 6.8V to 36V input. The output is selectable by placing the JP1 jumper at the 3.3V or 5V position.
Applicable Parts
Documentation & Resources
-
DC825A - Schematic9/24/2009PDF24K
-
DC825A - Demo Manual9/24/2009PDF841K
-
DC825A - Design File9/24/2009ZIP513K
