Overview
Product Details
DC782A-K: Demo Board for the LTC2225 12-Bit, 10Msps Low Power 3V ADC.
Applicable Parts
Documentation & Resources
-
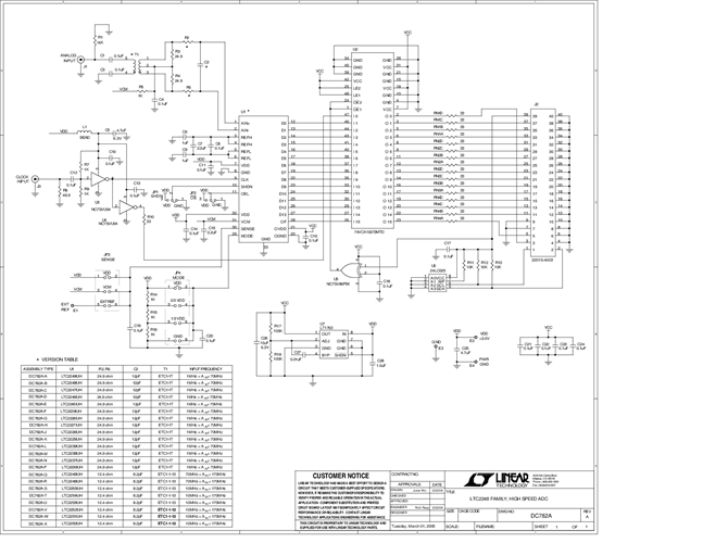
DC782A - Schematic1/12/2012PDF40K
-
DC782A - Demo Manual1/12/2012PDF748K
-
DC782A - Design Files6/8/2011ZIP888K
