Overview
Product Details
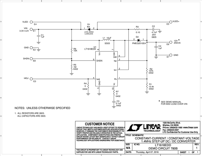
Demonstration circuit 780B is a Constant-Current Constant- Voltage 1.4MHz Step-up DC/DC Converter featuring the LT1618. DC780B demonstrates a general purpose Boost converter with a 12V, 250mA output from a 3.3V-4.2V source.
The demo board can also be used as an LED driver, where a Luxeon LED (not installed), is driven with a regulated current of 500mA (default current), at a forward voltage of 3.5V. By changing the value or R4 to 2.2M the LED current can be regulated at 250mA.
The LT1618 can be used for wider input voltages, but output voltage level and component selection restrict this demo circuit to Lithium Ion battery input levels.
Markets and Technologies
Applicable Parts
Documentation & Resources
-
DC780B - Schematic7/25/2016PDF24K
-
DC780B - Demo Manual7/25/2016PDF318K
-
DC780B - Design File7/25/2016ZIP557K




