Overview
Product Details
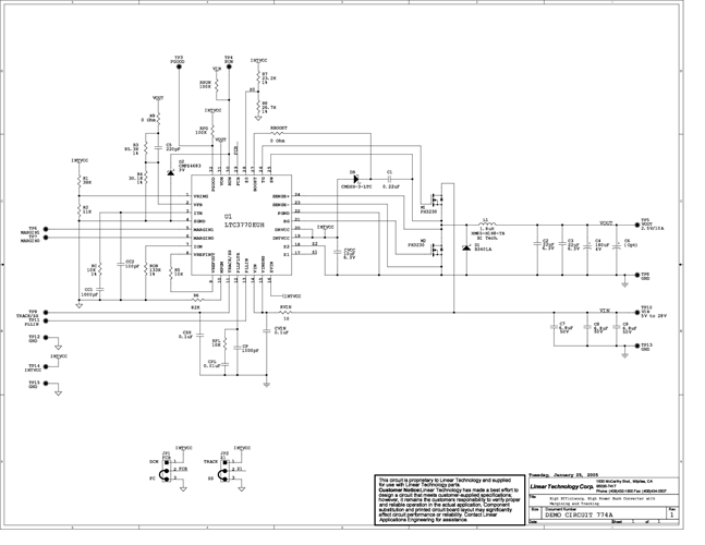
Demonstration circuit 774 is a high efficiency synchronous step-down DC/DC converter featuring the LTC3770EUH No RSENSE controller. It operates with a 5V to 28V input voltage range and provides a 2.5V output at up to 10A.
Applicable Parts
Documentation & Resources
-
DC774A - Schematic9/24/2009PDF121K
-
DC774A - Demo Manual9/24/2009PDF199K
-
DC774A - Design File9/24/2009ZIP1M
