Overview
Product Details
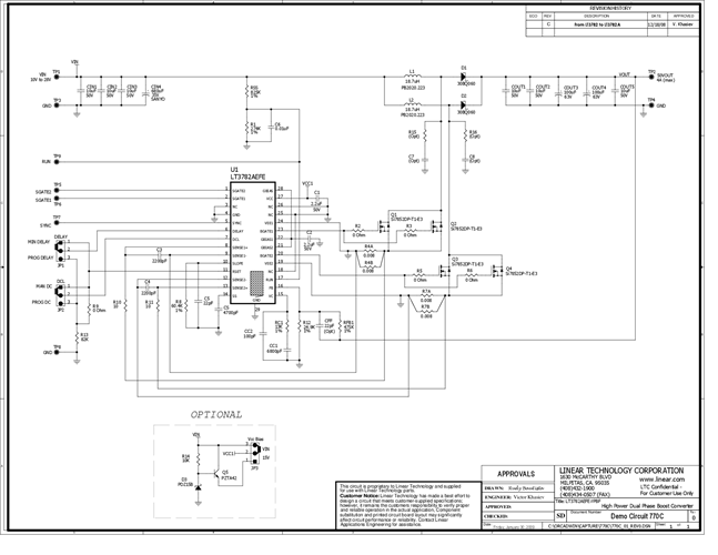
Demonstration circuit DC770C is a 2-phase DC/DC boost converter featuring the LT3782A constant frequency current mode boost controller. The DC770C operates over 10V to 28V input and provides 4A of output current at 50V output. The 250kHz constant frequency operation results in a small and efficient circuit.
Applicable Parts
Documentation & Resources
-
DC770C - Schematic9/24/2009PDF80K
-
DC770C - Demo Manual9/24/2009PDF156K
-
DC770C - Design File9/24/2009ZIP2M






