Documentation & Resources
-
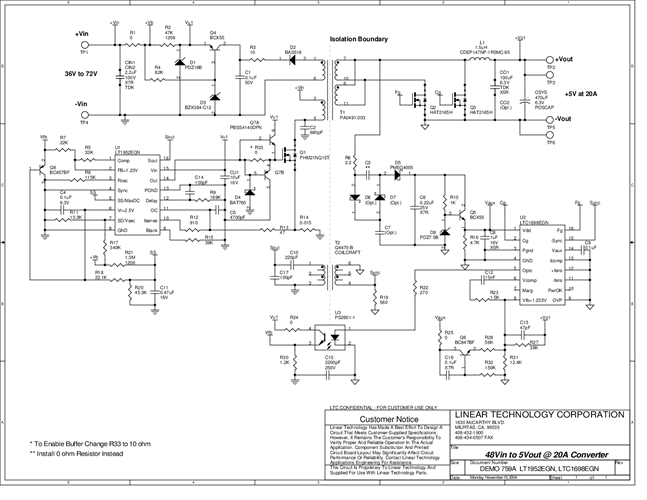
DC759A - Schematic9/24/2009PDF39K
-
DC759A - Demo Manual9/24/2009PDF616K
-
DC759A - Design File9/24/2009ZIP837K
