Overview
Product Details
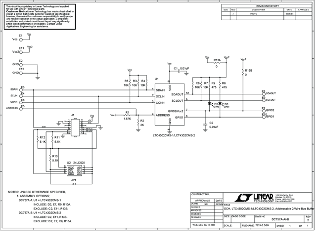
DC757A-B: Demo Board for the LTC4302 Addressable 2-Wire Bus Buffer.
Applicable Parts
Documentation & Resources
-
DC757A - Schematic9/24/2009PDF59K
-
DC757A - Demo Manual9/24/2009PDF239K
-
DC757A - Design File9/24/2009ZIP728K
