Overview
Product Details
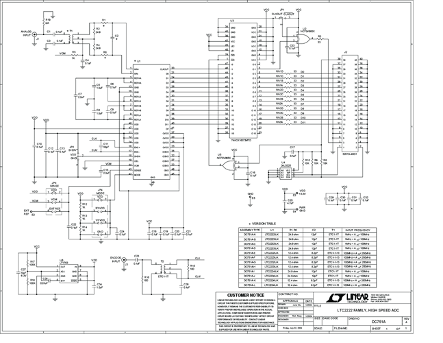
DC751A-B: Demo Board for the LTC2223 12-Bit, 80Msps ADCs.
Applicable Parts
Documentation & Resources
-
DC751A - Schematic1/3/2012PDF78K
-
DC751A - Demo Manual9/24/2009PDF629K
-
DC751A - Design File6/8/2011ZIP948K
