Overview
Product Details
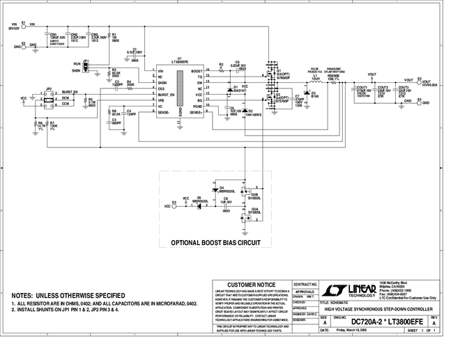
Demonstration Circuit 720 is a 200kHz high voltage, synchronous current-mode DC/DC step-down converter featuring the LT3800. The board operates from a Vin range of 20V to 55V and outputs 12V @ 6.25A (75W).
Applicable Parts
Documentation & Resources
-
DC720A - Schematic9/24/2009PDF36K
-
DC720A - Demo Manual9/24/2009PDF442K
-
DC720A - Design File9/24/2009ZIP820K
