Overview
Product Details
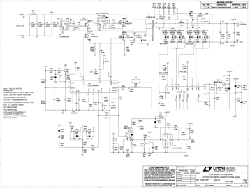
Demonstration circuit 719 is an Isolated Full-Bridge Converter with Synchronous Rectification featuring the LTC3723-1, LTC3901, LTC4440, and LT1431. It operates at 300kHz and produces a regulated 12V, 20A output in a quarter-brick footprint from a typical telecom input voltage range of 42 to 56V. Synchronous rectification helps to attain efficiency approaching 96%. Isolation voltage is 1500VDC.
Applicable Parts
Documentation & Resources
-
DC719A - Schematic8/6/2014PDF50K
-
DC719A - Demo Manual7/31/2014PDF168K
-
DC719A - Design File8/6/2014ZIP1M
