Overview
Product Details
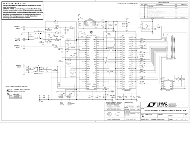
DC699A-B: Demo Board for the LTC1750 14-Bit, 80Msps Wide Bandwidth ADC.
Applicable Parts
Documentation & Resources
-
DC699A - Schematic9/24/2009PDF54K
-
DC699A - Demo Manual9/24/2009PDF1M
-
DC699A - Design File9/24/2009ZIP1M
