Overview
Product Details
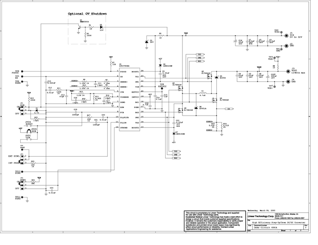
Demonstration circuit 686, featuring the LTC3780 controller, is a high efficiency buck-boost DC/DC converter that can regulate its output from input voltages both above and below the output. The demo board delivers 12V@5A from an input range of 5V to 32V.
Applicable Parts
Documentation & Resources
-
DC686A - Schematic9/24/2009PDF221K
-
DC686A - Demo Manual9/24/2009PDF362K
-
DC686A - Design File9/24/2009ZIP1M
