Overview
Product Details
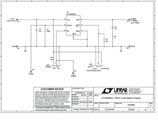
DC685A: Demo Board for the LTC4059/LTC4059A 900mA Linear Li-Ion Battery Chargers with Thermal Regulation in 2 × 2 DFN.
Applicable Parts
Documentation & Resources
-
DC685A - Schematic9/24/2009PDF51K
-
DC685A - Demo Manual9/24/2009PDF93K
-
DC685A - Design File9/24/2009ZIP394K
