Documentation & Resources
- 
                                                                
                                                                    
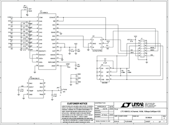
                                                                                                                                            DC682A - Schematic9/24/2009PDF61K
 
- 
                                                                
                                                                    
                                                                                                                                            DC682A - Demo Manual6/18/2013PDF347K
 
- 
                                                                
                                                                    
                                                                                                                                            DC682A - Design File9/24/2009ZIP375K
 
                                                
                                                
                                                
                                                
                                                



