Overview
Product Details
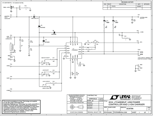
DC676A: Demo Board for the LTC4055/LTC4055-1 USB Power Controller and Li-Ion Linear Charger.
Applicable Parts
Documentation & Resources
-
DC676A - Schematic9/24/2009PDF58K
-
DC676A - Demo Manual9/24/2009PDF167K
-
DC676A - Design File9/24/2009ZIP816K
